Holographic Microscopy

 

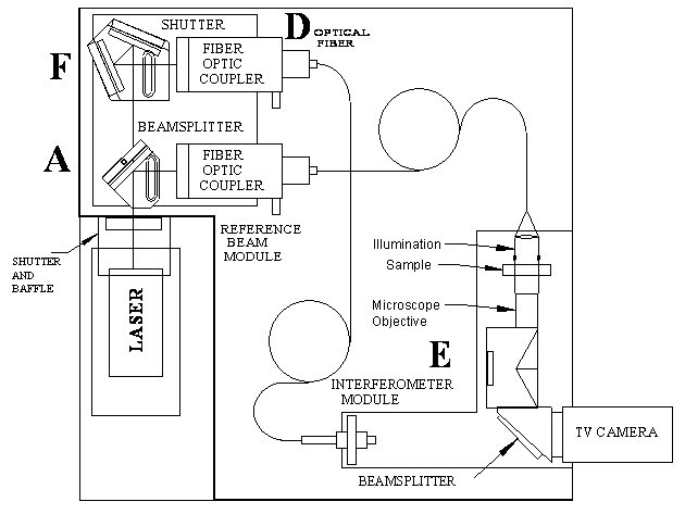
The K100/HOL optical head is easily modified for use in holographic microscopy. Because microscope objectives have a typical back focal distance of 180 mm, in is desirable to eliminate the relay lens used with a conventional video lens. Elimination of the relay lens, however, also eliminates the mirror used to direct the light into it, and the remaining reflection from the beamsplitter will invert the image. A set of three mirrors is added, therefore, to create an uninverted image. This also has the benefit of making the arrangement more compact. Fiber optics are used, in this configuration, to provide both reference beam and object beam illumination.